Published:2011/7/21 3:13:00 Author:Seven | Keyword: energy-saving lamp | From:SeekIC

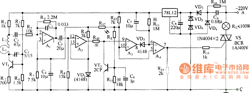
The radar energy-saving lamp base is actually a human body microwave sensor switch. When people come into the effective range, the light will glow on its own and put out after the delayed time. If the people are in the range all the time, the lamp is going to glow. The radar energy-saving lamp is equipped with the light control function, which makes the lamp only work at night. In the figure is the radar energy-saving lamp base circuit.
Reprinted Url Of This Article:
http://www.seekic.com/circuit_diagram/Power_Supply_Circuit/The_radar_energy_saving_lamp_base_circuit.html
Print this Page | Comments | Reading(3)
Code: