Published:2011/6/28 21:59:00 Author:qqtang | Keyword: reset circuit | From:SeekIC

Reprinted Url Of This Article:
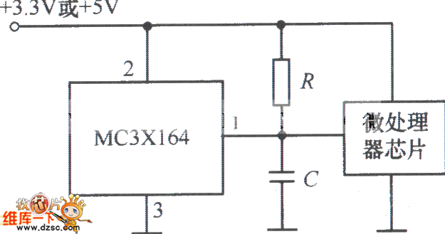
http://www.seekic.com/circuit_diagram/Power_Supply_Circuit/The_reset_circuit_of_MC3X164.html
Print this Page | Comments | Reading(3)
Code: