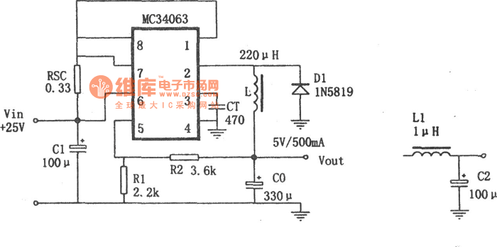
Published:2011/6/14 4:19:00 Author:Borg | Keyword: step-down, switching power supply | From:SeekIC

Reprinted Url Of This Article:
http://www.seekic.com/circuit_diagram/Power_Supply_Circuit/The_step_down_switching_power_supply_made_of_MC34063.html
Print this Page | Comments | Reading(3)
Code: