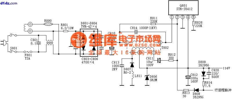
Published:2011/8/13 2:25:00 Author:qqtang | Keyword: switch power supply | From:SeekIC

Reprinted Url Of This Article:
http://www.seekic.com/circuit_diagram/Power_Supply_Circuit/The_switch_power_supply_of_STR5412.html
Print this Page | Comments | Reading(3)
Code: