Published:2011/6/16 22:00:00 Author:qqtang | Keyword: power steady circuit | From:SeekIC

Reprinted Url Of This Article:
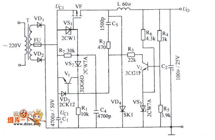
http://www.seekic.com/circuit_diagram/Power_Supply_Circuit/The_vmos_switch_power_steady_circuit.html
Print this Page | Comments | Reading(3)
Code: