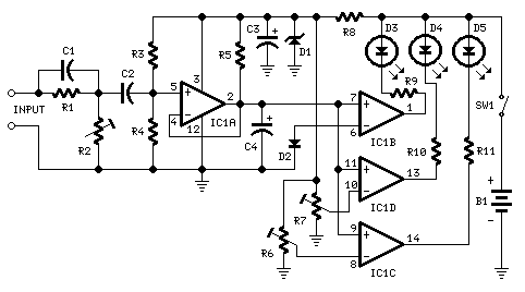
Published:2012/12/20 20:54:00 Author:muriel | Keyword: Three-Level, Audio, Power Indicator | From:SeekIC

Reprinted Url Of This Article:
http://www.seekic.com/circuit_diagram/Power_Supply_Circuit/Three_Level_Audio_Power_Indicator.html
Print this Page | Comments | Reading(3)
Code: