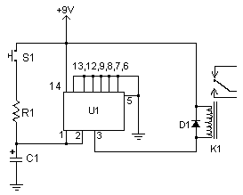
Published:2012/12/11 0:31:00 Author:muriel | Keyword: Time Delay , Relay | From:SeekIC

Reprinted Url Of This Article:
http://www.seekic.com/circuit_diagram/Power_Supply_Circuit/Time_Delay_Relay_II.html
Print this Page | Comments | Reading(3)
Code: