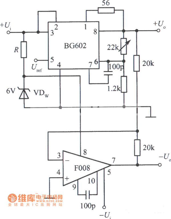
Published:2011/5/11 3:50:00 Author:Ecco | Keyword: Tracking , integrated , regulated power supply | From:SeekIC

Reprinted Url Of This Article:
http://www.seekic.com/circuit_diagram/Power_Supply_Circuit/Tracking_integrated_regulated_power_supplyBG602_circuit_daigarm.html
Print this Page | Comments | Reading(3)
Code: