Published:2013/3/20 1:29:00 Author:Ecco | Keyword: Traveller, Shaver Adapter | From:SeekIC

Thissimple circuitcanprotectyourelectricshaversfrom damagedue to wrongvoltage.
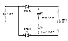
Many countries have 115 volts mains supplies. This can be a problem if your electric shaver is designed for 220/240 volts only. This simple rectifier voltage doubler enables motor driven 240 volt shavers to be operated at full speed from a 115 volt supply. As the output voltage is dc, the circuit can only be-used to drive small ac/dc motors. It cannot be used, for example, to operate vibrator-type shavers, or radios unless the latter are ac/dc operated.
Reprinted Url Of This Article:
http://www.seekic.com/circuit_diagram/Power_Supply_Circuit/Traveller’s_Shaver_Adapter.html
Print this Page | Comments | Reading(3)
Code: