Published:2009/7/21 7:35:00 Author:Jessie | From:SeekIC

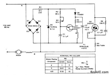
Triac motor speed control with feedback (courtesy Motorola Semiconductor Products Inc.).
Reprinted Url Of This Article:
http://www.seekic.com/circuit_diagram/Power_Supply_Circuit/Triac_motor_speed_control_with_feedback.html
Print this Page | Comments | Reading(3)
Code: