Published:2011/3/30 1:32:00 Author:Nicole | Keyword: triggered switch, silicon photocell | From:SeekIC

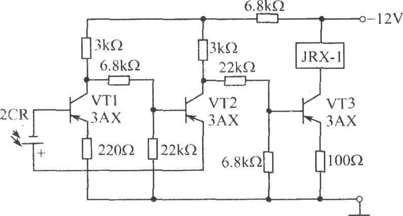
As shown in the figure, the trigger has two stable states which composed of VT1 and VT2. When one of transistors turns on, the other is closed. As long as changing the light intensity, the output voltage of silicon photocell changed, it can make circuit transit from one state to another, so as to achieve the purpose of light control.
Reprinted Url Of This Article:
http://www.seekic.com/circuit_diagram/Power_Supply_Circuit/Triggered_switch_circuit_composed_of_silicon_photocell.html
Print this Page | Comments | Reading(3)
Code: