Published:2009/7/24 3:18:00 Author:Jessie | From:SeekIC

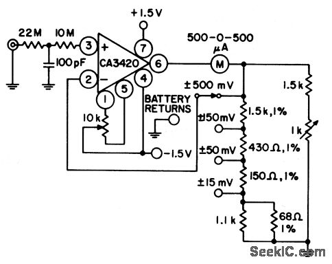
This two-cell voltmeter has an input resistance in excess of 1,000,000 MΩ. Full-scale deflection is ±500 mV, ±150 mV, and ±15 mV. Higher voltage ranges can be added with external input-voltage attenuator networks. The meter is in series with the gain network, thus eliminating the meter temperature-coefficient error term. Standby supply current (meter not deflected) is 300 μA. At full-scale deflection, current rises to 800 μA. Carbon-zinc battery life should be in excess of 1000 hours.
Reprinted Url Of This Article:
http://www.seekic.com/circuit_diagram/Power_Supply_Circuit/Two_cell_voltmeter_with_high_input_resistance.html
Print this Page | Comments | Reading(3)
Code: