Published:2009/7/20 21:03:00 Author:Jessie | From:SeekIC

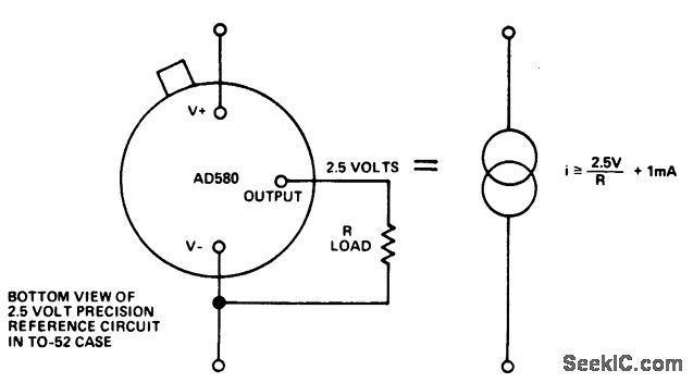
Two-component precision current limiter (courtesy Analog Devices, Inc.).
Reprinted Url Of This Article:
http://www.seekic.com/circuit_diagram/Power_Supply_Circuit/Two_component_precision_current_limiter_1.html
Print this Page | Comments | Reading(3)
Code: