Published:2009/7/23 23:09:00 Author:Jessie | From:SeekIC

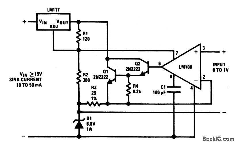
This circuit has a 10- to 50-mA output for a 1-V input. The minimum operating voltage is about 12 V. The circuit can be used in 4- to 20-mA current-transmitter applications (industrial control). However, the LM117 should be selected for low quiescent current.
Reprinted Url Of This Article:
http://www.seekic.com/circuit_diagram/Power_Supply_Circuit/Two_wire_current_transmitter.html
Print this Page | Comments | Reading(3)
Code: