Published:2009/7/20 5:08:00 Author:Jessie | From:SeekIC

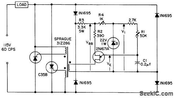
Component values shown give optimum regulation at 25 v rms output, with less than 0.1 v variation for change in line voltage from 115 v to 100 v. For wider range of output voltage than 10 to 30 v, R1 and R4 can be ganged pot.- Transistor Manual, Seventh Edition, General Electric Co., 1964, p 334.
Reprinted Url Of This Article:
http://www.seekic.com/circuit_diagram/Power_Supply_Circuit/UJT_SCR_REGULATED_A_C_SUPPLY.html
Print this Page | Comments | Reading(3)
Code: