Published:2009/6/25 2:21:00 Author:May | From:SeekIC


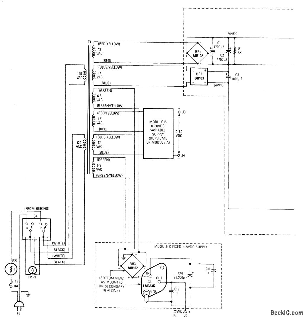
The value of the design lies in the use of IC1,an LM317HVK adjustable serles-pass voltage regulator,for broad-range performance remainder supplies voltage-setting and current limiting functions The input to IC1 comes from the output of BR1,which is filtered by C1 and C2 to about +60Vdc,and the input for current-sense comparator IC2 comes from BR2,which also acts as a negative bias supply for regulation down to ground. The output voltage is determined by∶( VOUT - 1.25 + 1.3 ) /( R15 + R16 ) = 1.25 / R8.Thus,the maximum value from each variable supply board is∶VOUT = ( 1.25 / R8 ) × ( R15 + R16 ) = 50.18 Vdc
Reprinted Url Of This Article:
http://www.seekic.com/circuit_diagram/Power_Supply_Circuit/UNIVERSAL_LABORATORY_POWER_SUPPLY.html
Print this Page | Comments | Reading(3)
Code: