Published:2009/6/22 23:33:00 Author:May | From:SeekIC

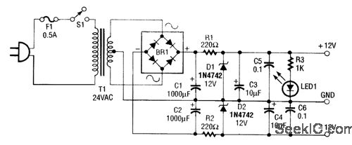
The power supply schematic for the lead vocal filter circuit.
Reprinted Url Of This Article:
http://www.seekic.com/circuit_diagram/Power_Supply_Circuit/VOCAL_STRIPPER_POWER_SUPPLY.html
Print this Page | Comments | Reading(3)
Code: