Published:2009/7/20 21:29:00 Author:Jessie | From:SeekIC

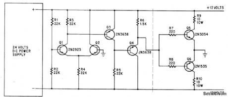
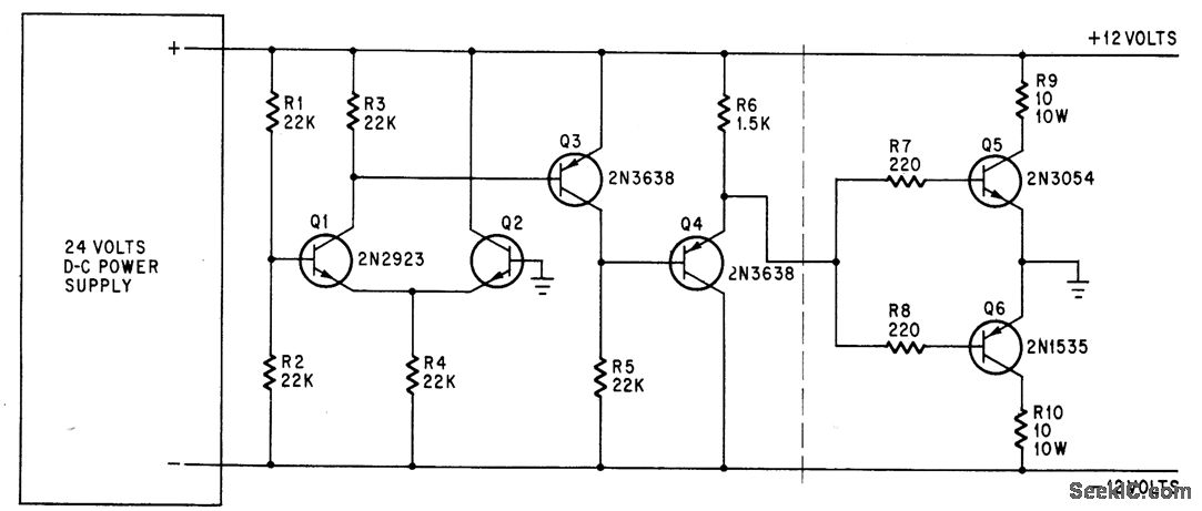
Provides regulated +12 and -12 v from 24-v supply Negative feedback loop permits circuit to furnish unbalanced currents up to 700 ma in either direction without changing output voltages more than 10 my.-J. M. Kasson, Voltage Splitter Balances Floating Power Supply, Electronics, 39:6, p 96.
Reprinted Url Of This Article:
http://www.seekic.com/circuit_diagram/Power_Supply_Circuit/VOLTAGE_SPLITTER_REGULATOR.html
Print this Page | Comments | Reading(3)
Code: