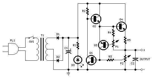
Published:2012/12/21 21:40:00 Author:muriel | Keyword: Variable , DC Power Supply | From:SeekIC

Reprinted Url Of This Article:
http://www.seekic.com/circuit_diagram/Power_Supply_Circuit/Variable_DC_Power_Supply.html
Print this Page | Comments | Reading(3)
Code: