Published:2009/7/21 5:50:00 Author:Jessie | From:SeekIC





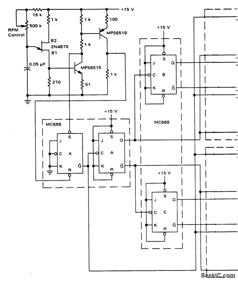
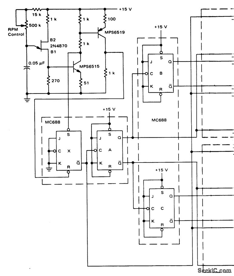
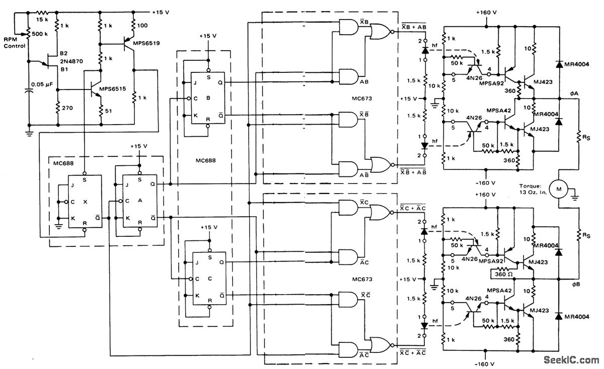
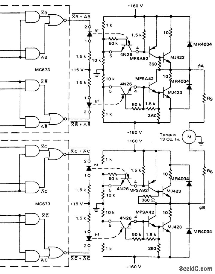
Variable speed control for induction motors (courtesy Motorola Semiconductor Pro-ducts Inc.).
Reprinted Url Of This Article:
http://www.seekic.com/circuit_diagram/Power_Supply_Circuit/Variable_speed_control_for_induction_motors.html
Print this Page | Comments | Reading(3)
Code: