Published:2009/7/21 5:57:00 Author:Jessie | From:SeekIC







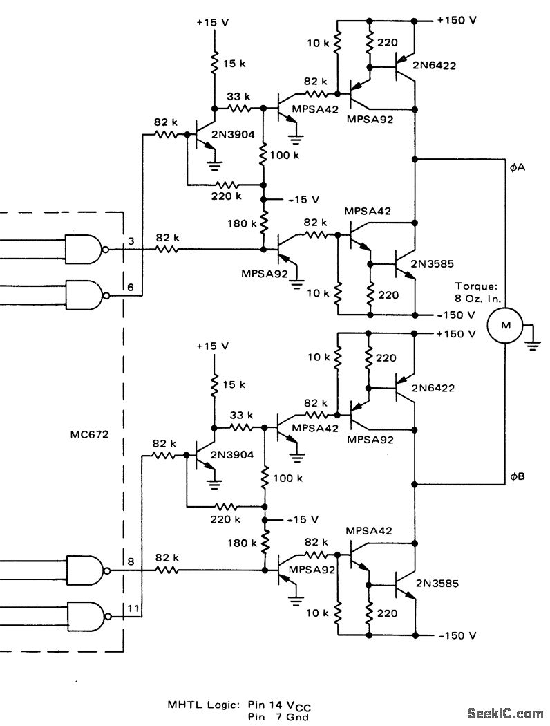
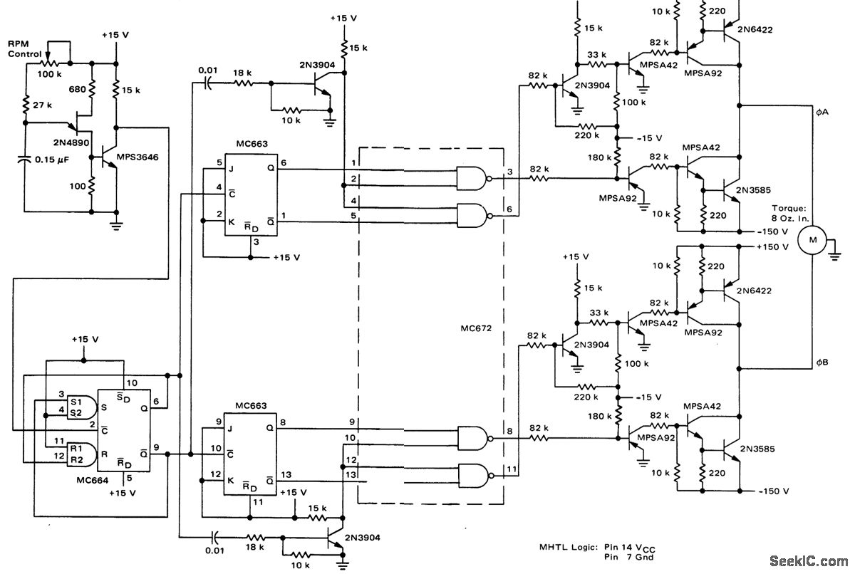
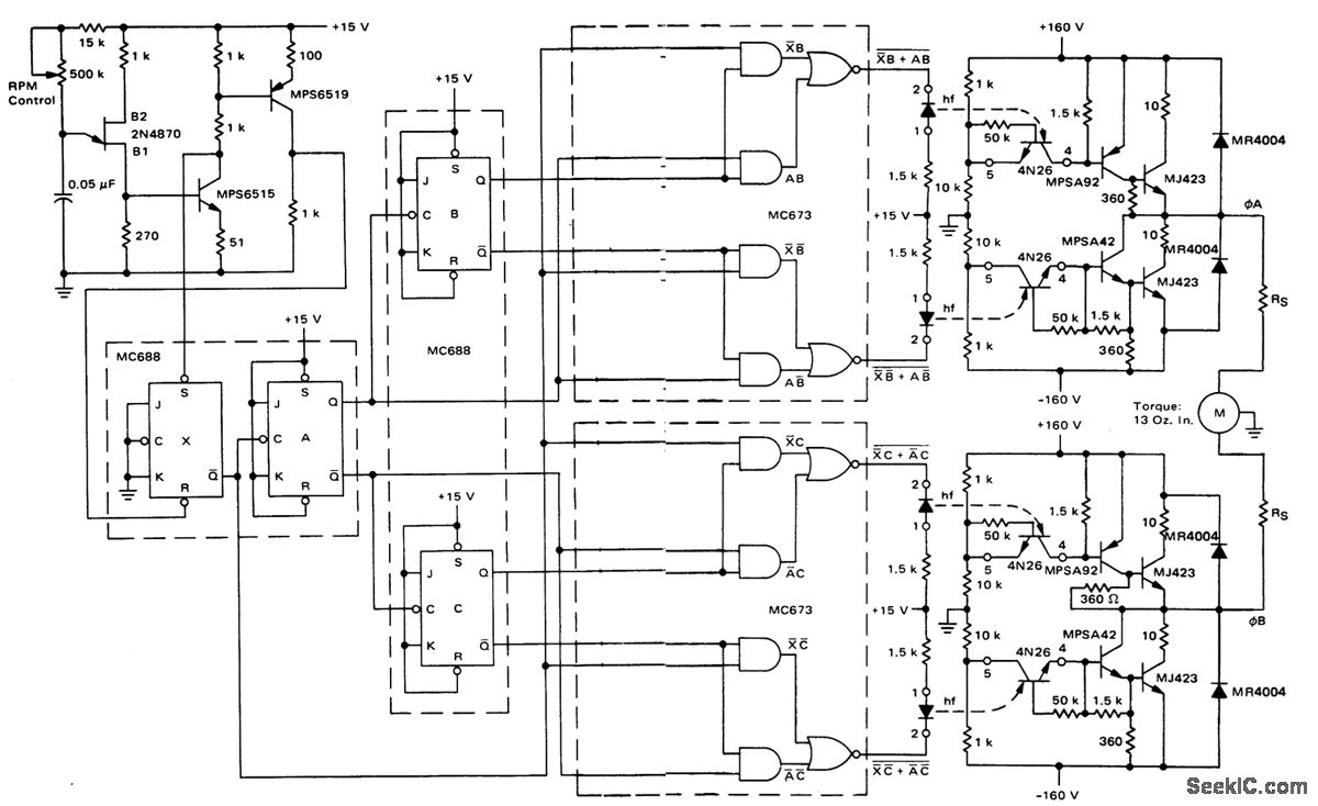
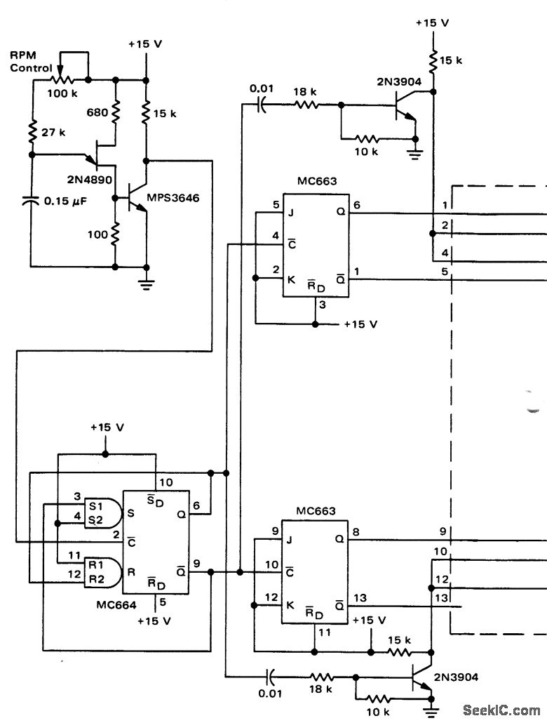
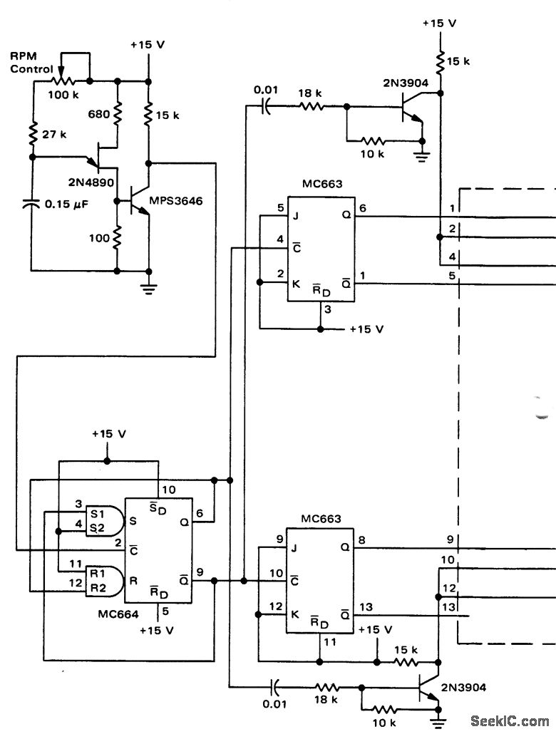
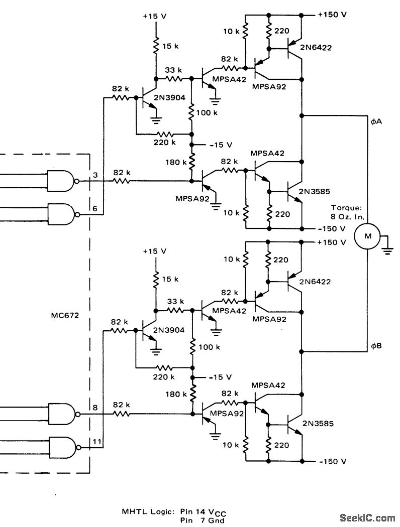
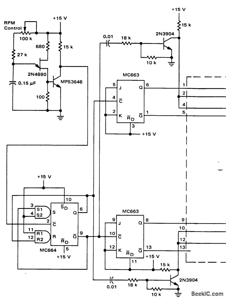
Variable speed control for induction motors (courtesy Motorola Semiconductor Products Inc.).
Reprinted Url Of This Article:
http://www.seekic.com/circuit_diagram/Power_Supply_Circuit/Variable_speed_control_for_induction_motors_1.html
Print this Page | Comments | Reading(3)
Code: