Published:2009/7/16 4:22:00 Author:Jessie | From:SeekIC

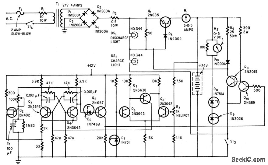
During overnight charging of battery used to maintain equal-amplitude output current pulses for welder, circuit senses whether battery voltage is above or below required value for load current of 1 amp. If low, one-shot timer is actuated, to charge battery for preset interval. Voltage is then measured again, and charging repeated if necessary. If voltage is too high, load remains on until battery voltage drops to point where charger is actuated again.-F. T. Marcellino and A. A. Dargis, Circuit Keeps Voltage Constant for Welder Battery, Electronics, 38:21, p 88.
Reprinted Url Of This Article:
http://www.seekic.com/circuit_diagram/Power_Supply_Circuit/WELDER_BATIERY_CHARGER.html
Print this Page | Comments | Reading(3)
Code: