Published:2009/6/22 23:37:00 Author:Jessie | From:SeekIC

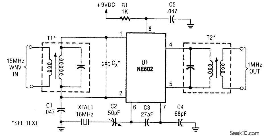
This converter heterodynes the 15-MHz WWW signal with a 16-MHz oscillator so that it can be heard at 1 MHz on an ANI broadcast receiver. T1 and T2 are a modified 10.7-MHz IF transformer and AM BO oscillator coil, respectively.
Reprinted Url Of This Article:
http://www.seekic.com/circuit_diagram/Power_Supply_Circuit/WWV_CONVERTER.html
Print this Page | Comments | Reading(3)
Code: