Published:2009/7/23 23:15:00 Author:Jessie | From:SeekIC

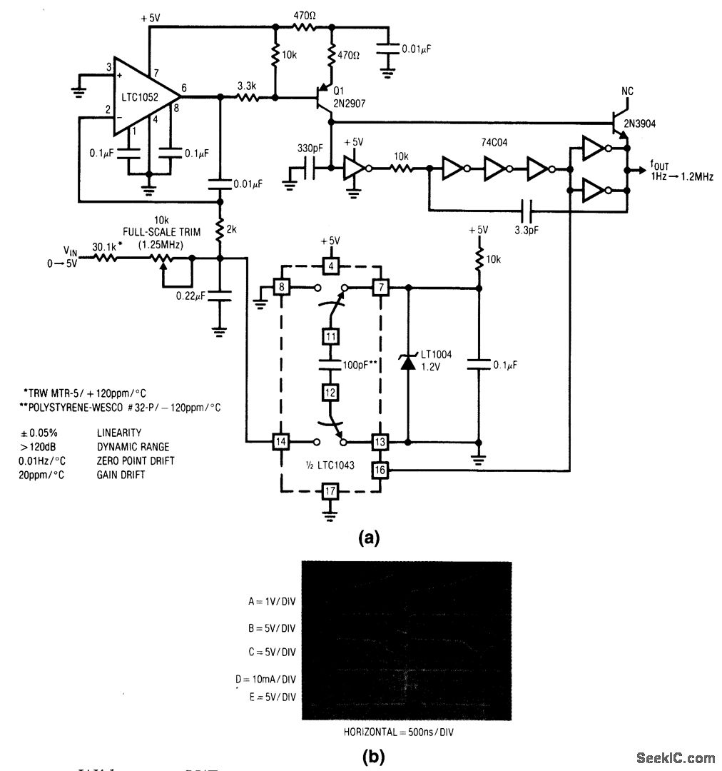
Fig. 12-3 This circuit features 1-Hz to 1.25-MHz operation with 0.05% linearity, and a typical temperature coefficient of 20 ppm/℃. Notice that in the lower frequency ranges, currents at the junction of the 330-pF capacitor and the Q1 collector are small and board leakage can cause jitter. If so, mount the capacitor, Q1, and the inverter input connection on a teflon standoff, using short connections. To trim, apply +5.000 V and adjust the 1.25-MHz trim for 1.2500-MHz Output. Linear Technology Linear Applications Handbook 1990 p AN9-13.
Reprinted Url Of This Article:
http://www.seekic.com/circuit_diagram/Power_Supply_Circuit/Wide_range_V_F_converter.html
Print this Page | Comments | Reading(3)
Code: