Published:2011/3/22 22:49:00 Author:Rebekka | Keyword: With 4.5V power supply | From:SeekIC

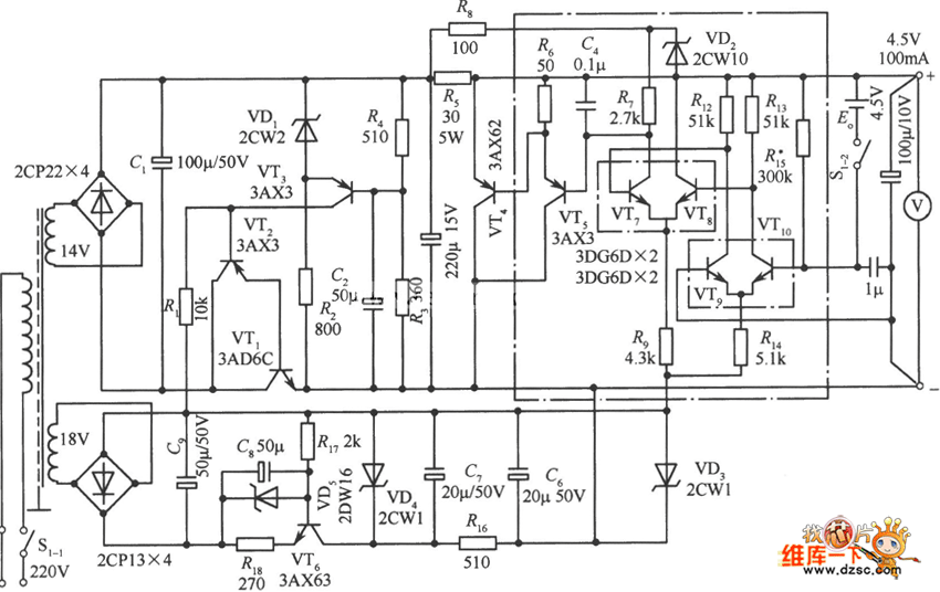
With 4.5V power supply circuit diagram is shown as below.
Reprinted Url Of This Article:
http://www.seekic.com/circuit_diagram/Power_Supply_Circuit/With_45V_power_supply_circuit_diagram.html
Print this Page | Comments | Reading(3)
Code: