Published:2014/3/2 21:31:00 Author: | Keyword: With double trigger a demo circuit diagram, | From:SeekIC

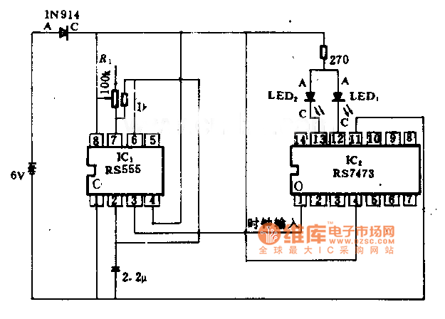
With double trigger a demo circuit diagram
Reprinted Url Of This Article:
http://www.seekic.com/circuit_diagram/Power_Supply_Circuit/With_double_trigger_a_demo_circuit_diagram.html
Print this Page | Comments | Reading(3)
Code: