Published:2011/4/15 0:55:00 Author:Ecco | Keyword: Automatic, multi-function, inverter, power supply | From:SeekIC


ZDD-12-160 Automatic multi-function inverter power supply preamp circuit:
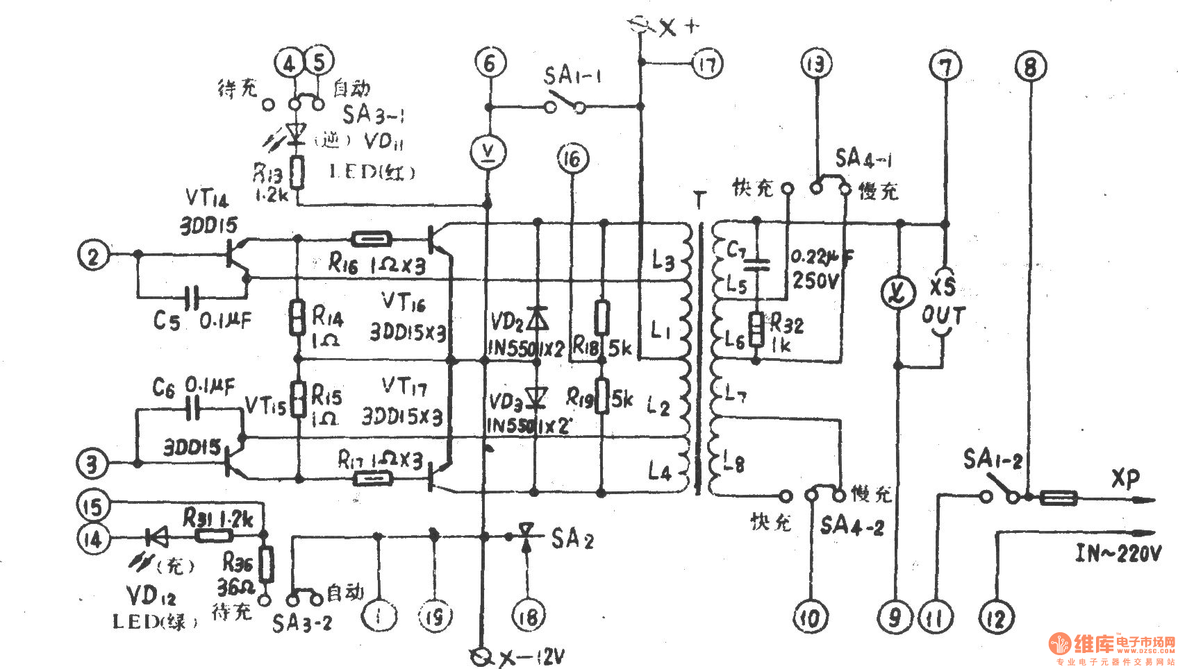
ZDD-12-160 Automatic multi-function inverter power supply last stage amplifier circuit:
Reprinted Url Of This Article:
http://www.seekic.com/circuit_diagram/Power_Supply_Circuit/ZDD_12_160_Automatic_multi_function_inverter_power_supply.html
Print this Page | Comments | Reading(3)
Code: