Published:2009/7/17 1:57:00 Author:Jessie | From:SeekIC

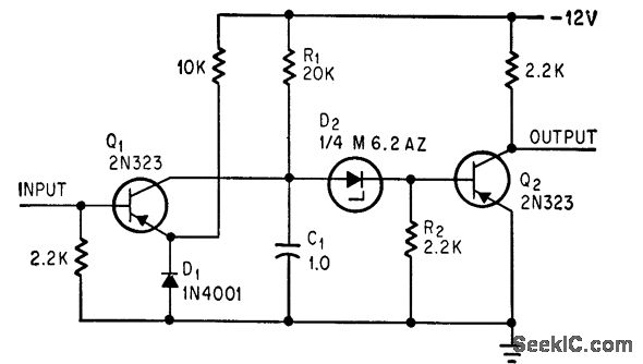
Gives delays up to 50 millisec without need for large capacitance values, by varying R1; delay is 10 millisec for 20K value shown. Input is negative 1-millisec pulse, which is stretched by amount of delay.-A. S. Robin-son, Zener Diode Allows Delay Without Large Capacitors, Electronics, 39:11, p 93.
Reprinted Url Of This Article:
http://www.seekic.com/circuit_diagram/Power_Supply_Circuit/ZENER_DIODE_PULSE_STRETCHER.html
Print this Page | Comments | Reading(3)
Code: