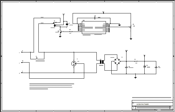
Published:2013/1/30 21:02:00 Author:muriel | Keyword: Zero Power Standby | From:SeekIC

Reprinted Url Of This Article:
http://www.seekic.com/circuit_diagram/Power_Supply_Circuit/Zero_Power_Standby.html
Print this Page | Comments | Reading(3)
Code: