Published:2009/7/19 22:26:00 Author:Jessie | From:SeekIC

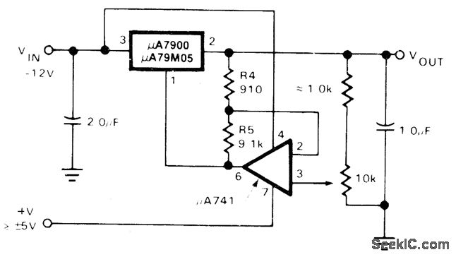
Regulator in μA7900 series is used with 741 opamp to provide adjustable output voltage. Differential between input and output is 2V.- Signetics Analog Data Manual, SignetIcs, Sunnyvale, CA, 1977, p 670.
Reprinted Url Of This Article:
http://www.seekic.com/circuit_diagram/Power_Supply_Circuit/_10V_TO__05V.html
Print this Page | Comments | Reading(3)
Code: