Published:2009/7/17 2:02:00 Author:Jessie | From:SeekIC

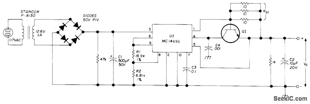
Provides 0.1% regulation as required for PLL RTTY tuning unit and other critical applications. RSC and Q1 provide short-circuit protection for regulator.When output current reaches about 200 mA, Q1 turns on and limits regulator output. U1 can be Motorola MC1469G or HEP C6049G, and at is any general-purpose NPN silicon transistor.-E. Law-rence, Precision Voltage Supply for Phase-Locked Terminal Unit, Ham Radio, July 1974, p 60-61.
Reprinted Url Of This Article:
http://www.seekic.com/circuit_diagram/Power_Supply_Circuit/_12_V_AT_50_mA.html
Print this Page | Comments | Reading(3)
Code: