Published:2009/7/17 1:31:00 Author:Jessie | From:SeekIC

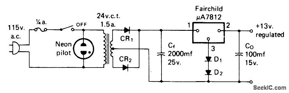
Regulated output voltage can be varied upward about 0.6 V per diode by placing silicon diodes between pin 3 and ground. Two diodes boost output of regulator from 11.9 V to about 13 V. Insulate regulator from heatsink with mica washers. CR1 and CR2 are 50-PIV 3-A diodes. Motorola equivalent of regulator is MC7812.-A. M. Clarke, Simple, Super regulated, 12 Volt Supply, CQ, April 1974, p 61-62.
Reprinted Url Of This Article:
http://www.seekic.com/circuit_diagram/Power_Supply_Circuit/_13_V_AT_1_A.html
Print this Page | Comments | Reading(3)
Code: