Published:2009/7/16 21:25:00 Author:Jessie | From:SeekIC

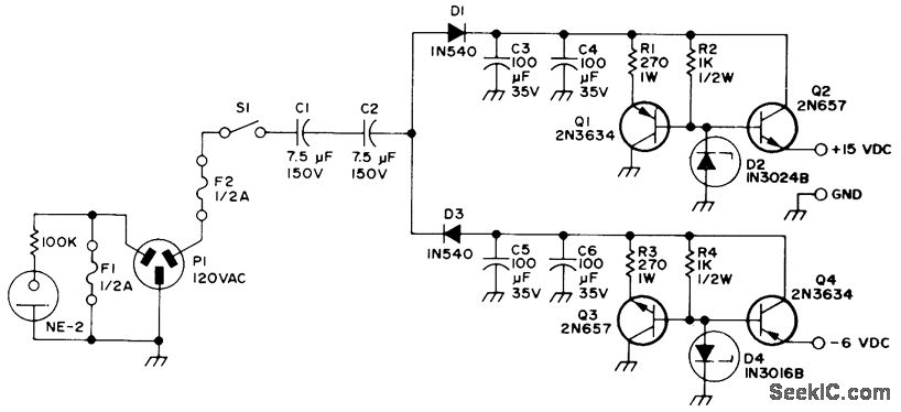
Transistorized regulator provides good voltage regulation with low ripple. Second ground prong is connected through fuse to grounded center conductor of AC line to guard against faulty AC wiring. If wiring is reversed, fuse will disable power supply and neon fault indicator will come on. At currents up to 55mA, -6 V output had 0.1-V ripple and +15 V output had 0.05-V ripple. - D. Kochen, Transformerless Power Supplies, 73 Magazine, Sept.1971, p 14-17.
Reprinted Url Of This Article:
http://www.seekic.com/circuit_diagram/Power_Supply_Circuit/_15_V_AND__6_V_TRANSFORM_ERLESS.html
Print this Page | Comments | Reading(3)
Code: