Published:2009/7/16 23:11:00 Author:Jessie | From:SeekIC

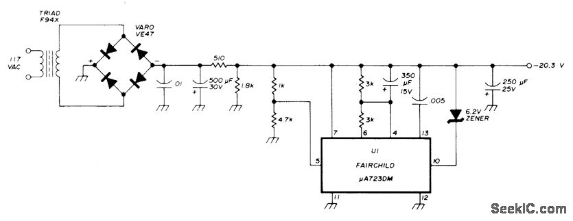
Precision low-ripple bias supply for varactor tuning applications can provide up to 20-mA output current.-M. A. Chapman, Multiple Band Master Frequency Oscillator, Ham Radio, Nov. 1975, p50-55.
Reprinted Url Of This Article:
http://www.seekic.com/circuit_diagram/Power_Supply_Circuit/_20_V_FOR_VARACTORS.html
Print this Page | Comments | Reading(3)
Code: