Published:2009/7/17 4:58:00 Author:Jessie | From:SeekIC

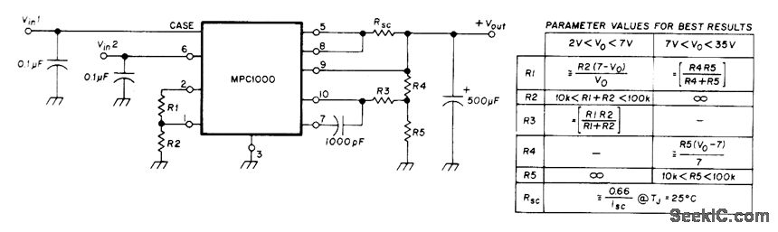
Provides fixed output voltage at value determined by choice of resistance values, computed as given in table. Heat-sink should have very low thermal resistance.For similar range of negative voltages, Motorola MPC900 regulator can be used, with circuit modified slightly as set forth in article.-H. Olson, Second-Generation IC Voltage Regulators, Ham Radio, March 1977, p 31-37.
Reprinted Url Of This Article:
http://www.seekic.com/circuit_diagram/Power_Supply_Circuit/_2_TO__35V_AT_10A.html
Print this Page | Comments | Reading(3)
Code: