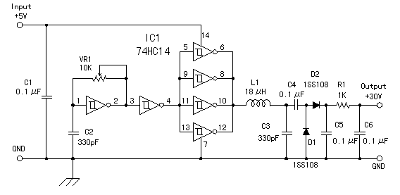
Published:2013/1/9 20:56:00 Author:muriel | Keyword: +30V, power supply , +5V | From:SeekIC

Reprinted Url Of This Article:
http://www.seekic.com/circuit_diagram/Power_Supply_Circuit/_30V_power_supply_with__5V.html
Print this Page | Comments | Reading(3)
Code: