Published:2009/7/17 4:51:00 Author:Jessie | From:SeekIC

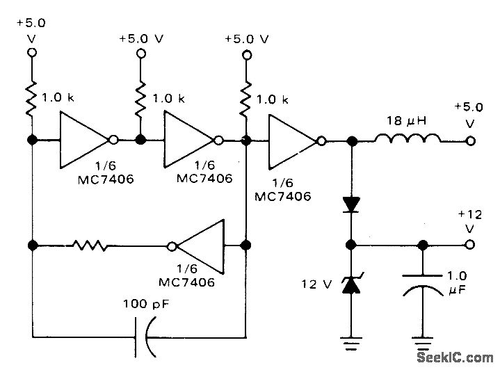
Circuit using four sections of Motorola MC7406 provides +12V supply required by MCM6570 8192-bit character generator using 7×9 matrix, along with conventional +5 V.- A CRT Display System Using NMOS Memories, Motorola, Phoenix, AZ, 1975, AN-706A, p5,
Reprinted Url Of This Article:
http://www.seekic.com/circuit_diagram/Power_Supply_Circuit/_5AND__12_V_AT6_mA.html
Print this Page | Comments | Reading(3)
Code: