Published:2011/8/29 3:48:00 Author:TaoXi | Keyword: +5V, input, +30V, output, boost circuit | From:SeekIC

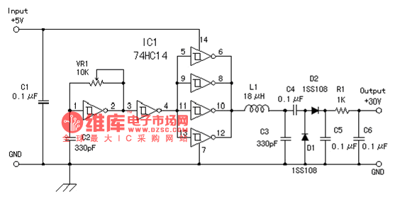
The +5V input +30V output boost circuit
Reprinted Url Of This Article:
http://www.seekic.com/circuit_diagram/Power_Supply_Circuit/_5V_input__30V_output_boost_circuit.html
Print this Page | Comments | Reading(3)
Code: