Published:2009/6/25 2:28:00 Author:Jessie | From:SeekIC

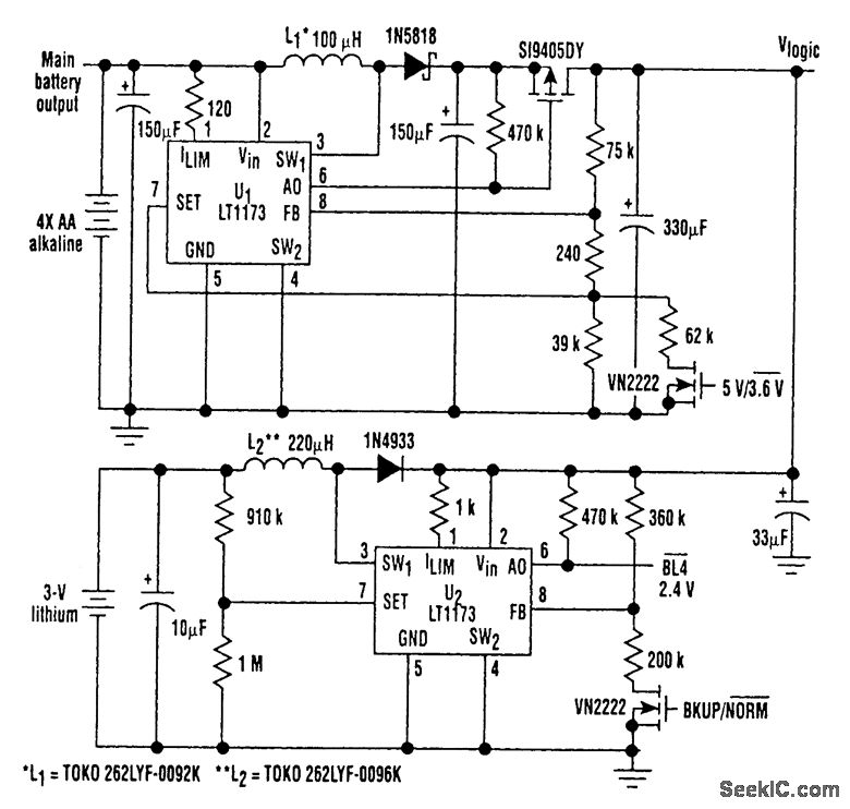
With this unique logic-power-converter design (see the figure), a switchable 3.6 or 5 V at 200 mA can be attained by using four AA cells. The supply incorporates a MOSFET switch that can switch to a lithium backup battery, providing a 3.4-V output when the main battery is dead or removed. The supply consumes only 380 pA under no-load conditions.
The circuit operates in a somewhat novel mode as a step-up/step-down converter. When the cells are fresh (from about 6 V to about 5.2 V), the LT1173's gain block drives the p-channel MOSFET, which turns the circuit into a linear voltage regulator. This might seem inefficient, but the batteries are quick to drop from 6 V to 5 V. With a 5-V input, the efficiency (for the 3.6-V output) is 3.6/5 or 72%, which is reasonable. As the battery-pack drops in voltage, efficiency increases, reaching greater than 90% with a 4.2-V input.
At a point below a 4-V input, the circuit switches to step-up mode. This mode squeezes the bat-teries for all of their available energy. In this case, efficiency runs between 83% at approximately a 4-V input to 73% at a 2.5-V input.
The supply can deliver 200 mA over its entire operational range. In its linear mode of operation, the supply has no current spikes that, because of the fairly high internal resistance of the alkaline cells, can reduce battery life. The topology delivers over 9.3 hours of 3.6-V 200-mA output power, compared to just 7 hours using the traditional flyback topology that is used in other designs.
Reprinted Url Of This Article:
http://www.seekic.com/circuit_diagram/Power_Supply_Circuit/_5_V__36_V_FROM_4_AA_CELLS.html
Print this Page | Comments | Reading(3)
Code: