Published:2009/7/15 21:33:00 Author:Jessie | From:SeekIC

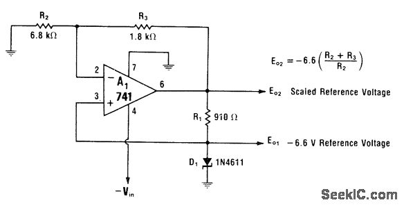
Half of 1558 dual opamp is used as buffer for basic opamp-zener voltage reference to raise output current and lower output impedance-W. G. Jung, IC Op-Amp Cookbook, Howard W Sams, Indianapolis, IN, 1974, p 150-151.
Reprinted Url Of This Article:
http://www.seekic.com/circuit_diagram/Power_Supply_Circuit/_66_V_AT_5_mA.html
Print this Page | Comments | Reading(3)
Code: