Published:2009/7/15 21:32:00 Author:Jessie | From:SeekIC

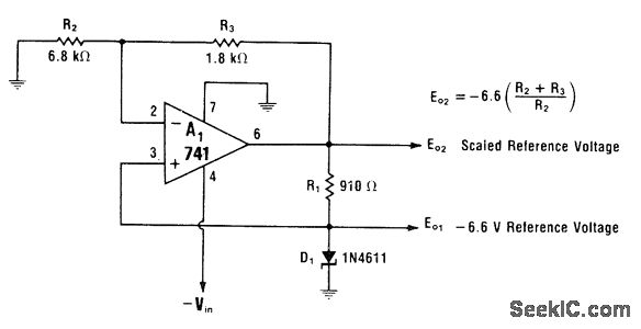
Reference output of -6.6 V, determined by breakdown voltage of zener, is scaled to more negative level at output of A1. If 1558 dual opamp is used in place of 741, other section can be connected to zener as buffer that raises output current to 5 mA and lowers output impedance.-W. G. Jung, IC 0p-Amp Cookbook, Howard W. Sams, Indianapolis, IN, 1974, p 151.
Reprinted Url Of This Article:
http://www.seekic.com/circuit_diagram/Power_Supply_Circuit/_66_V_WITH_741_OPAMP.html
Print this Page | Comments | Reading(3)
Code: