Published:2009/6/24 2:30:00 Author:Jessie | From:SeekIC

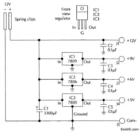
This supply uses IC regulators to supply +5, +6, +9, and +12 volts regulated from a nominal 12-V supply.
Reprinted Url Of This Article:
http://www.seekic.com/circuit_diagram/Power_Supply_Circuit/dc_POWER_SOURCE_FOR_EXPERIMENTS.html
Print this Page | Comments | Reading(3)
Code: