Published:2011/7/18 19:27:00 Author:TaoXi | Keyword: High power, adjustable, charger, circuit
The principle of this charging device is as shown in figure 3-7, the maximum output current is 20A, the highest charging voltage is 80V. It can be adjusted from 0V, so it can charge all kinds of batteries and the battery groups or battery groups in series which have the same specifications, such as five 12V batteries in series. By charging the series batteries, we can shorten the length of wiring and reduce the power consumption, so the operating efficiency is improved.
(View)
View full Circuit Diagram | Comments | Reading(706)
Published:2011/7/18 5:03:00 Author:TaoXi | Keyword: Automatic, battery charger, voltage instruction
The circuit is as shown in figure 4-6. IC is the LED electrical level indication integrated circuit which has ten output instruction ports. When the signal is added on the pin-5 of the output port, the internal circuit of this IC will compare the signal voltage and report the result through the level situation of the output port. If you connect the LEDs with every port of the IC, the LED can intuitively report the input signal voltage. The transistors VT1-VT5 can be used to detect the levels of the IC's output ports. When the output port which is connected with the transistor base has the low level, this transistor will conduct, the power will charge the battery through the c, e junctions and the current limiting resistance.
(View)
View full Circuit Diagram | Comments | Reading(721)
Published:2011/7/18 3:42:00 Author:TaoXi | Keyword: Automatic, charger, manual, trigger function
Operating principle:
The circuit is as shown in figure 4-5. The city electricity is reduced by transformer T, the subprime output voltage is rectified by the bridge type rectifier circuit which is composed of the VD1-VD4, and then it is filted by the C1 to be the DC voltage, at last it produce the +5V stable voltage through IC1: it can be used as the reference voltage of the control circuit, and it also supplies the operating power to IC2. At the same time, the bridge rectifier is divided into two parts, and it outputs two groups of inverted half-wave rectified pulsating voltage through the two ends of the secondary coil to charge the four Nickel-cadmium batteries respectively. The LED1 can be used as the charging indicator light, the R6, R7, R8 are the current-limiting resistance.
(View)
View full Circuit Diagram | Comments | Reading(753)
Published:2011/7/18 3:27:00 Author:TaoXi | Keyword: Single-tube, constant current, charger
The practical single-tube constant current charger is as shown in figure 2-20, the transistor VT1 has the function of constant current, the constant current value is decided by the voltage of the regulator tube and R2, the voltage regulator tube uses the 3.3V regulator tube, the resistance R2 is (30Ω-60Ω)/(1W-2W), at this time the charging current is about 50mA-80mA. The charging indicator circuit is composed of the R3(200Ω-500Ω) and LED, as long as you connect the rechargeable batteries to the circuit, the LED will turns on. If the LEd will not turn on, the battery is bad. This circuit can charge one to four Number five nickel cadmium batteries, the charging time is 12-14 hours. The transistor VT1 can use the 3DD15 or DS11 power tube.
(View)
View full Circuit Diagram | Comments | Reading(948)
Published:2011/7/18 3:12:00 Author:TaoXi | Keyword: Low cost, high reliability, electric bicycle, charger



The MC3842 is designed as one kind of 8-pin single port output other-excited switch power driving integrated circuit, the internal circuit is composed of the benchmark voltage regulator, the error amplifier, the pulse width comparator, the latch, the oscillator, the pulse width modulator, the pulse output driver stage.etc. The MC3842 some similar products, the interchangeable products are UC3842, IR3842N, SG3842, CM3842, LM3842.etc. The
The internal block diagram of MC3842 is as shown in figure 1.
The single-ended PWM pulse output, the output driving current is 200mA, the peak current can be 1A.
The start voltage is more than 16V, the 1mA start current can make the circuit get into the operating state.
It has the 5V/50mA reference voltage source.
(View)
View full Circuit Diagram | Comments | Reading(2420)
Published:2011/7/18 1:56:00 Author:TaoXi | Keyword: battery, voltage, regulation, charger
As the figure 3-9 shows, the circuit uses the 555 as the comparator to control the charging current of the nickel cadmium battery.
The input of pin-5 is stabilized at 5.1V by the zener diode VD2 that can be used as the reference voltage. If the voltage of rechargeable battery is lower than 2.55V, the 555 will be triggered, the output of pin-3 will be the high level, and it charges the battery through the 100Ω resistance and the diode VD1. At this time the pin-7 will cut off, the LED turns on to indicate the charging state.
When the voltage of rechargeable battery is higher than the threshold voltage of pin-5, the timer will reset to stop the charging, pin-7 will conduct and the LED will turn off. The threshold voltage can be set by the fine-tuning resistance RP2.
(View)
View full Circuit Diagram | Comments | Reading(782)
Published:2011/7/18 0:57:00 Author:TaoXi | Keyword: charger, simple circuit
The charging principle diagram of this charger is as shown in figure 2-3. This charger can charge the no.5 or no.7 single or four nickel cadmium batteries synchronously.
The features of this circuit: the subprime stage of the transformer uses the bifilar winding, when the coil A is in the positive half cycle, it charges the GB1, when the coil A is in the negative half cycle, it charges GB3. The charging current has three stages, when the switch is in the 1 stage, it can charge the 1.5V alkaline battery. The VD1-VD4 are the rectifier diode, the model is 1N4001, the VD5-VD8 is the LED charging indicator. The capacity of the transformer T >/=1W, the transformer secondary stage is the bifilar winding, the AC voltage is 4.5V-5V.
(View)
View full Circuit Diagram | Comments | Reading(697)
Published:2011/7/17 22:29:00 Author:TaoXi | Keyword: Voltage regulation, charging, inverter, three-function, instrument
The voltage regulation, charging, inverter three-function instrument can charge the battery when there is the city electricity, When the power is outage, the battery inverts the 220V AC for the household appliances, when the grid voltage is too high or too low, you can adjust the output voltage to 220V manually to ensure the safety of the electric equipments. The circuit of the three-function instrument is as shown in figure 3-6. In this figure, when the switches S1 and S2 are in the A position, the circuit is in the inverter status. The left part of the circuit forms the self-excited oscillator to produce the 50Hz square wave, and this wave is boosted by the transformer and adjusted by S3 to be the 220V output. When the S1 and S2 are in the B position, the circuit is in the charging state.
(View)
View full Circuit Diagram | Comments | Reading(667)
Published:2011/7/15 4:22:00 Author:TaoXi | Keyword: Simple type, nickel cadmium battery, charger


If you open the switch K, the 220V AC city electricity will be transformed by the transformer B, then the current is rectified by D1-D4 to charge the two GNY0.5 type battery (Number five nickel cadmium battery), the current is 500mA. The light of D6 means it is charging, at this time, the open voltage of the TWH8778 switching integrated circuit's control electrode pin-5 is lower than 1.6V, the circuit can not be conducted, so D5 will not turn on. As the continuation of the charge, the charging current of the GNY battery decreases gradually, the port voltage of the battery increases gradually, the voltage of the TWH8778's control electrode pin-5 increases gradually too, when the voltage is equal to 1.6V, the circuit conducts, D5 turns on to indicate that the battery is full.
(View)
View full Circuit Diagram | Comments | Reading(637)
Published:2011/7/15 3:54:00 Author:TaoXi | Keyword: Simple, programmable charger
This charger uses the electric fan program control manifold block BA3105, it masterly uses the timing and wind speed regulating function of the chip, and the current can be used as the charging timing current and the adjustment charging current. The timer can be set to 0.5-7.5 hours by the S2 which is as shown in figure 2-11; the speed adjustment function is switched by S3 of the figure 2-11, and the pin-1, pin-18 and pin-17 relatively output the high level respectively, every output pin controls different constant current source.
When you are making the charger, the power can be supplied by 5W, 7.5V transformer.
(View)
View full Circuit Diagram | Comments | Reading(637)
Published:2011/7/15 3:24:00 Author:TaoXi | Keyword: Accurate, 12V, storage battery, automatic charger
The principle diagram is as shown in figure 4-25, the secondary stage of the transformer is divided into two groups, L1 group is responsible for the charging, the light of LED1 means the rectifier power supply operating is normal. VS1 unidirectional thyristor is 6A, it uses the phase-shifting trigger circuit, you can change the phase angle by adjusting RP1 (change the charging current which flows through the VS1). The VS2 two-way thyristor is the passage-channel switch of the phase shifting trigger circuit. The L2 group is rectified, filted and stabilized to supply power to the IC1 to produce the trigger signal for the VS2, so VS2 is used as the phase shifting trigger circuit of VS1; on the other hand, it supplies to IC2 as the voltage comparator power supply.
(View)
View full Circuit Diagram | Comments | Reading(776)
Published:2011/7/15 2:34:00 Author:TaoXi | Keyword: Automatic charger, discharging function
This ciruit is simple and easy to make, the cost is low, and it has the function of charging status automatic conversion.
Operating principle
The circuit is as shown in figure 4-39. The whole circuit is divided into three parts: the discharging circuit, the charging circuit and the power supply circuit. The charging circuit and the discharging circuit are introduced in this article.
The discharging circuit is composed of the op-amp IC1-b and the external components. The discharging current is decided by R6, the general discharge current is 1/5 of the battery capacity.
The charging circuit is composed of the op-amp IC1-a and the external components.
(View)
View full Circuit Diagram | Comments | Reading(622)
Published:2011/7/15 2:21:00 Author:TaoXi | Keyword: Simple charger, activation function
The circuit is as shown in figure 2-15. When L2 is in the positive half cycle, VD charges the GB; when L2 is in the negative half cycle, GB discharges, the voltage of GB and L2 are superimposed to charge C. When the positive half cycle comes again, the C discharges to charge the GB, so the power which is released by GB is utilized. When C is discharged, VD conducts to charge the GB. So repeatedly, the GB is fully charged. You can control the discharging of GB by change the capacity of C. The LED can be used in the working indication.
(View)
View full Circuit Diagram | Comments | Reading(648)
Published:2011/7/18 2:57:00 Author:TaoXi | Keyword: Battery, charging, regulator
This circuit uses the PHILIPS TEA1100 chip to charge the Nickel cadmium battery rapidly and effectively with the incremental peak principle. The circuit is as shown in figure 3-1.
The incremental peak regulator can detect and judge the change of the battery voltage: if the voltage of pin-7 decreases 1% or more of the average maximum value, the charging will continue. The voltage of pin-7 must be in the range of 0.385V-3.85V, the voltage dividers R4 and R5 can be used to supply the voltage that is in this range. The values of R4 and R5 can be ensured by this formula: R4/(R4+R5)>0.35n. The charging current Io=1.25R10/R8IIR9)R2, the charging time t0=226X0.93XR2XC3. When the circuit does not detect the maximum voltage value, the circuit will stop charging after the time of T0.
(View)
View full Circuit Diagram | Comments | Reading(1144)
Published:2011/7/15 1:38:00 Author:TaoXi | Keyword: Switch type, voltage stabilization, nickel cadmium battery, charger circuit
The circuit is as shown in the figure 2-6. The voltage dependent resistor RV prevents the overvoltage, the insurance resistance RT prevents the overcurrent. The blocking oscillator is composed of the switching transformer T1 and the external components. VT1 is the switching tube, the R2 and L2 windings supply the operating voltage to it, the feedback network composed of the L2 and C2. When the VT1 is conducting, the energy stores in T1; when VT1 is cutting off, the circuit outputs the energy through the L3 coupling, this energy is rectified and filted to charge the battery. Because the voltage stabilizer is working in the flyback mode, the ripple current is large, this is good for the charging. VT2 is the comparison amplifier, the voltage-regulator tube VD4 supplies the reference voltage, the voltage division circuit is composed of R5 and R6.
(View)
View full Circuit Diagram | Comments | Reading(669)
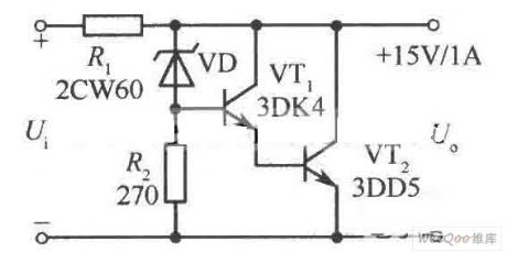
Published:2011/7/17 7:42:00 Author:Fiona | Keyword: parallel regulated power supply
compact 15V,1A parallel regulated power supply circuit is shown as above:
(View)
View full Circuit Diagram | Comments | Reading(722)
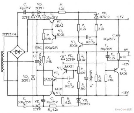
Published:2011/7/18 0:04:00 Author:Fiona | Keyword: bipolar regulated power supply
±18V bipolar regulated power supply circuit is shown as above: (View)
View full Circuit Diagram | Comments | Reading(1371)
Published:2011/7/15 0:56:00 Author:TaoXi | Keyword: Programmable, fast charging, management chip





The features of MAX712 and MAX713 are very similar, the difference between them is when the MAX712 detects that the dv/dt becomes zero, it will terminate fast charging mode, but the MAX713 terminates the fast charging mode when the dv/dt becomes negative; the MAX712 and MAX713 can charge 1-16 batteries, they has the linear or switch mode power control, for the linear mode, the MAX712 and MAX713 supply the power to the load of storage battery when the storage battery is charging; they has three modes to cut off the fast charge (voltage gradient, temperature or time), and they can automaticly change from the fast charging to trickle charging; when the battery is not charging, the maximum leakage current of the storage battery is only 5mA.
(View)
View full Circuit Diagram | Comments | Reading(1242)
Published:2011/7/15 0:45:00 Author:TaoXi | Keyword: Rechargeable, flashlight
View full Circuit Diagram | Comments | Reading(850)
Published:2011/7/15 0:45:00 Author:TaoXi | Keyword: Rechargeable, flashlight
View full Circuit Diagram | Comments | Reading(3543)
| Pages:186/291 At 20181182183184185186187188189190191192193194195196197198199200Under 20 |