Position: Home > Circuit Diagram > power supply circuit > Index 283
Low Cost Custom Prototype PCB Manufacturer

power supply circuit

Index 283



7 ~ 30V adjustable output integrated voltage regulator circuit

Published:2011/3/24 23:07:00 Author:Joan | Keyword: 7 ~ 30V , adjustable output power supply , integrated voltage regulator

7 ~ 30V adjustable output integrated voltage regulator circuit
  (View)

View full Circuit Diagram | Comments | Reading(712)

12V Collector output fixed power supply circuit diagram three

Published:2011/3/21 1:48:00 Author:Rebrecca | Keyword: Collector output, fixed power supply

12V Collector output fixed power supply circuit diagram three
  (View)

View full Circuit Diagram | Comments | Reading(531)

15V、1A Collector output regulators power supply circuit diagram two

Published:2011/3/21 1:48:00 Author:Rebrecca | Keyword: Collector output, regulators power supply

15V、1A Collector output regulators power supply circuit diagram two
15V、1A Collector output regulators power supply circuit diagram is shown as below.   (View)

View full Circuit Diagram | Comments | Reading(572)

1.45~15V Full sample fixed power supply circuit diagram

Published:2011/3/21 1:48:00 Author:Rebrecca | Keyword: Full sample , fixed power supply


  (View)

View full Circuit Diagram | Comments | Reading(443)

12V Collector output fixed power supply circuit diagram one

Published:2011/3/21 1:48:00 Author:Rebrecca | Keyword: Collector output , fixed power supply

12V Collector output fixed power supply circuit diagram one
  (View)

View full Circuit Diagram | Comments | Reading(626)

15V、1A Collector output regulators power supply circuit diagram

Published:2011/3/21 1:46:00 Author:Rebrecca | Keyword: Collector output, regulators power supply

15V、1A Collector output regulators power supply circuit diagram
15V、1A Collector output regulators power supply circuit diagram is shown as below.   (View)

View full Circuit Diagram | Comments | Reading(582)

15V、600mA Regulators power supply circuit diagram

Published:2011/3/21 1:46:00 Author:Rebrecca | Keyword: Regulators, power supply

15V、600mA Regulators power supply circuit diagram
15V、600mA Regulators power supply circuit diagram is shown as below.   (View)

View full Circuit Diagram | Comments | Reading(863)

15V Parallel regulators power supply circuit diagram

Published:2011/3/21 1:46:00 Author:Rebrecca | Keyword: Parallel regulators , power supply

15V Parallel regulators power supply circuit diagram
15V Parallel regulators power supply circuit diagram is shown as below.   (View)

View full Circuit Diagram | Comments | Reading(586)

13V、2A simple steady voltage power supply circuit diagram

Published:2011/3/21 1:46:00 Author:Rebrecca | Keyword: simple steady voltage , power supply

13V、2A simple steady voltage power supply circuit diagram
13V、2A simple steady voltage power supply circuit diagram is shown as below.   (View)

View full Circuit Diagram | Comments | Reading(1122)

-9~-l4.5v Collector output regulators power supply circuit diagram

Published:2011/3/21 1:46:00 Author:Rebrecca | Keyword: Collector output , regulators power supply

-9~-l4.5v Collector output regulators power supply circuit diagram
-9~-l4.5v Collector output regulators power supply circuit diagram is shown as below.   (View)

View full Circuit Diagram | Comments | Reading(662)

Simple 15V regulators Power Supply Circuit Diagram

Published:2011/3/21 1:46:00 Author:Rebrecca | Keyword: regulators Power Supply

Simple 15V regulators Power Supply Circuit Diagram
Simple 15V regulators Power Supply Circuit Diagram is shown as below.   (View)

View full Circuit Diagram | Comments | Reading(555)

0--25V、0~10A constant voltage/constant current power supply circuit

Published:2011/3/21 1:45:00 Author:Rebrecca | Keyword: constant voltage, constant current

0--25V、0~10A constant voltage/constant current power supply circuit
0--25V、0~10A constant voltage/constant current power supply circuitis shown as below.   (View)

View full Circuit Diagram | Comments | Reading(4361)

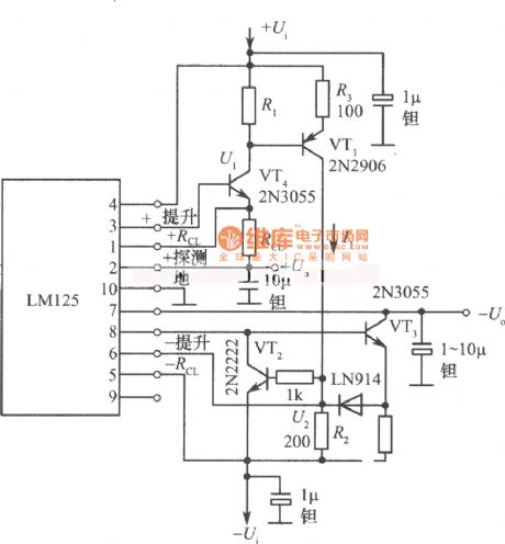
Dual Output Regulators Power Supply Circuit Diagram

Published:2011/3/21 1:45:00 Author:Rebrecca | Keyword: Dual Output Regulators, Power Supply

Dual Output Regulators Power Supply Circuit Diagram
Dual Output Regulators Power Supply Circuit Diagram is shown as below.   (View)

View full Circuit Diagram | Comments | Reading(654)

Multiple Output Switch Regulators Voltage Power Supply Circuit Diagram

Published:2011/3/21 1:45:00 Author:Rebrecca | Keyword: Multiple Output Switch, Regulators Voltage , Power Supply

Multiple Output Switch Regulators Voltage Power Supply Circuit Diagram
Multiple Output Switch Regulators Voltage Power Supply Circuit Diagram is shown as below.   (View)

View full Circuit Diagram | Comments | Reading(2181)

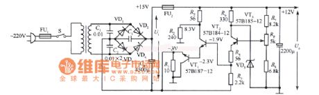
5V、1A Switch fixed power supply circuit diagram

Published:2011/3/21 1:45:00 Author:Rebrecca | Keyword: fixed power supply

5V、1A Switch fixed power supply circuit diagram
5V、1A Switch fixed power supply circuit diagram is shown as below.   (View)

View full Circuit Diagram | Comments | Reading(2375)

Precision Double Tracking Regulators Voltage Power Supply Circuit Diagram

Published:2011/3/21 1:45:00 Author:Rebrecca | Keyword: Precision Double Tracking, Regulators Voltage

Precision Double Tracking Regulators Voltage Power Supply Circuit Diagram
Precision Double Tracking Regulators Voltage Power Supply Circuit Diagram is shown as below.   (View)

View full Circuit Diagram | Comments | Reading(726)

TTL Logic level controled double tracking regulators voltage power supply circuit diagram

Published:2011/3/21 1:45:00 Author:Rebrecca | Keyword: TTL Logic level, double tracking, regulators voltage

TTL Logic level controled double tracking regulators voltage power supply circuit diagram
TTL Logic level controled double tracking regulators voltage power supply circuit diagram is shown as below.   (View)

View full Circuit Diagram | Comments | Reading(792)

5V、6A Switch fixed power supply circuit diagram

Published:2011/3/21 1:45:00 Author:Rebrecca | Keyword: fixed power supply

5V、6A Switch fixed power supply circuit diagram
5V、6A Switch fixed power supply circuit diagram is shown as below.   (View)

View full Circuit Diagram | Comments | Reading(1250)

±15V Double Tracking Fixed Power Supply Circuit Diagram

Published:2011/3/21 1:45:00 Author:Rebrecca | Keyword: Double Tracking, Fixed Power Supply

±15V Double Tracking Fixed Power Supply Circuit Diagram
±15V Double Tracking Fixed Power Supply Circuit Diagram is shown as below.   (View)

View full Circuit Diagram | Comments | Reading(1157)

Double tracking fixed power supply circuit diagram

Published:2011/3/21 1:43:00 Author:Rebrecca | Keyword: Double tracking

Double tracking fixed power supply circuit diagram
Double tracking fixed power supply circuit diagram is shown as below.   (View)

View full Circuit Diagram | Comments | Reading(636)

Pages:283/291 At 20281282283284285286287288289290291