Published:2011/7/10 3:18:00 Author:chopper | Keyword: positive, drive converter, synchronous rectification | From:SeekIC

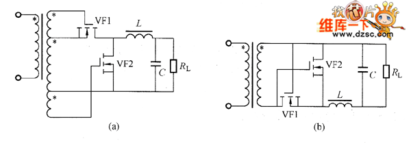
There are two current in the positive drive converter.One is the positive current through secondary winding when the primary side switching device is conductive,another is the current continued to circulate in the secondary side choke.Picture (a) is the instance of positive drive converter which adopts synchronous rectification.When the voltage of secondary winding is equal to the bias voltage of MOSFET grid,it can save some windings,just as shown in picture (b).
Reprinted Url Of This Article:
http://www.seekic.com/circuit_diagram/Power_Supply_Circuit/positive_drive_converter_with_synchronous_rectification_circuit.html
Print this Page | Comments | Reading(3)
Code: