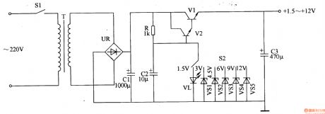
Published:2011/5/25 0:10:00 Author:Ariel Wang | Keyword: circuit-fixed, adjustable, DC | From:SeekIC

Reprinted Url Of This Article:
http://www.seekic.com/circuit_diagram/Power_Supply_Circuit/power_supply_circuit_fixed_of_adjustable_DC.html
Print this Page | Comments | Reading(3)
Code: