Published:2011/7/9 4:18:00 Author:chopper | Keyword: simple, RCC power supply, MOSFET, synchronous rectification | From:SeekIC

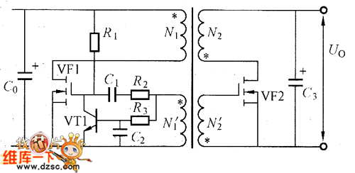
simple RCC power supply circuit with MOSFET synchronous rectification is shown as picture
Reprinted Url Of This Article:
http://www.seekic.com/circuit_diagram/Power_Supply_Circuit/simple_RCC_power_supply_circuit_with_MOSFET_synchronous_rectification.html
Print this Page | Comments | Reading(3)
Code: