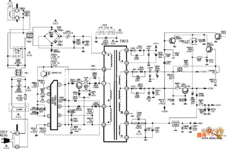
Published:2011/4/1 4:02:00 Author:Nicole | Keyword: tcl, TV power supply | From:SeekIC

Reprinted Url Of This Article:
http://www.seekic.com/circuit_diagram/Power_Supply_Circuit/tcl_2502d_TV_power_supply_circuit_diagram.html
Print this Page | Comments | Reading(3)
Code: