Published:2011/5/9 22:53:00 Author:Christina | Keyword: Adjustable, general, time relay | From:SeekIC

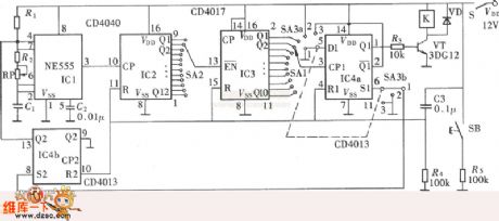
The multifunction of this circuit means it has three operating modes: the delay picking function , the delay releasing function and the delay looping function . The delay picking function means after the pre-boot, the relay will not close. Only when it is the scheduled time, the relay will close. The delay releasing function is the opposite of the delay picking function , after the pre-boot, the relay closes, when it is the scheduled time, the relay will release. The two operations are throwaway, when the relay completes a working process, the control part of the circuit gets into the stable state. The delay looping function is: the circuit will be running with the pre-open interval time and the pre-stop interval time, and it will not stop until you cut off the power or change the working condition. The circuit is as shown.
Reprinted Url Of This Article:
http://www.seekic.com/circuit_diagram/Remote_Control_Circuit/Adjustable_general_time_relay_NE555_CD4013_circuit.html
Print this Page | Comments | Reading(3)
Code: