Published:2011/8/1 1:24:00 Author:Christina | Keyword: Audio volume, remote control | From:SeekIC

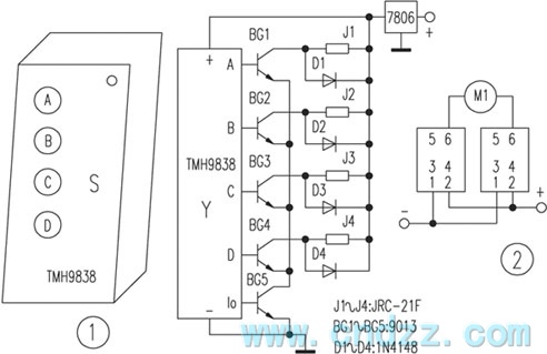
Operating principle: the circuit is as shown in the figure, S is the 4-bit wireless remote control transmitter, Y is the receiving module which is matching with the transmitter. The output ports of Y are amplified by the BG1 ~ BG5 to change the four channels of interlock data control output port signal into the non-latching form, and it controls the electric motor through the relays J1-J4. The M1 controls the main volume, the M2 controls the high and low tones. As the figure 1 shows, the circuit of the electric motors M1 and M2 are the same, also the operating principles. When you press the A button of the transmitter S, the output ports A and I0 of Y output the high level, the BG1 and BG5 conduct. J1 closes, M1 gets power to operate, if you loosen the button, the output of I0 disappears, the electric motor M1 releases to stop working.
Reprinted Url Of This Article:
http://www.seekic.com/circuit_diagram/Remote_Control_Circuit/Audio_volume_remote_control_circuit.html
Print this Page | Comments | Reading(3)
Code: